收藏本站 劰载中...网站公告 | 吾爱海洋论坛交流QQ群:835383472

【海洋技术】水声通信定位一体化潜标系统建立与应用

[复制链接]

经过长期的探索与研究,国内外学者在水声通信和水下定位技术领域均累积了多年的经验,研制的水声通信机和高精度定位系统已达到实用化水平。但现有的水声跟踪定位、导航和通信系统都是单独工作,系统之间相互独立,常常出现工作不兼容的问题,无法为水下作业、水下航行目标的指挥控制提供长时间稳定的保障服务。

b433ac33d8826d6dbe0f4662ccb0af12.png

在前期水声通信和水下定位导航研究的基础上,本文突破共用水声换能器的通导一体化及主被动水下兼容定位等水下通信导航一体化关键技术,设计了一套水下通信导航一体化潜标设备,对设备的系统架构和组成模块进行了详细描述,并介绍了通信与定位兼容性信号结构设计原理。潜标通过采用耐压壳体与合理的结构形式和压力平衡装置,具有耐高压、耐海水腐蚀、耐高温、耐日光照射的性能,可同时为深远海探测开发活动提供远距离水下通信服务和安全、高效的高精度定位信息。

一、系统架构

水声通信定位一体化潜标系统架构如图1所示,主要包括换能器及深度计等传感器、功率发射及收发转换匹配、水声信号处理、协议处理以及外部电池组模块。各模块的组成及功能说明如下:

3e0150e2b39e160483b4aa077c7fe9d2.png

图1  一体化潜标系统架构图

⑴收发合置水声换能器

主要完成6~10kHz水声信号的发送和接收。

⑵收发转换及匹配板

主要完成水声换能器接收和发射电路的隔离和切换,并将发射驱动电路与发射换能器进行阻抗匹配。

⑶接收预处理板

完成6~10kHz接收换能器水声信号的模拟调理。

⑷协议处理板

对经过调理的6~10kHz水声模拟信号、12~40kHz高频水声信号、潜标的经纬度及深度信号,按照协议进行打包处理,并能够接收和发送用户的控制指令。

⑸数字信号处理板

完成6~10kHz接收换能器水声模拟信号的解码处理、协议处理板打包信息的编码功能。

⑹功率发射板

主要完成对发射换能器的功率驱动功能。

⑺电源管理板

对外部电池24V供电电压进行电压转换,提供接收预处理板及信号处理板工作电源和电源使能。

⑻水听器

接收来自水下的12~40kHz高频声信号。

⑼深度计

获取潜标的深度信息。

⑽外部电池组

提供整个潜标的24V仪表电源和120V发射高压电源。

二、设计方案

一体化潜标硬件结构如图2所示,主要包括主体和电池段。主体由收发合置换能器、电子舱、水听器、深度计和接口组成。电子舱内部由1块收发转换及匹配板、1块功率放大板、1块电源管理板、1块信号处理板(包含模拟预处理子板)和1块协议处理板构成,5块板之间通过接插件连接起来。电路板通过4根穿心螺杆固定在壳体上,能很好的提高抗震能力。电子舱内部示意图如图3所示。

695a08444225f70155482917e60aba5f.png

图2  潜标硬件结构示意图

8fb1fe33426e5675862dca91fb9e018b.png

图3  电子舱内部示意图

一体化潜标系统在软件上分2部分:一部分是运行在嵌入式微处理器系统上的底层软件,完成参数预设、数据采样控制和存储控制;另一部分是数据分析和回放软件,运行在一台独立的PC机上(上位机),完成参数设置人机接口、采样数据波形回放工作。

⒈收发合置水声换能器

收发合置换能器是声-电转换部件。拼镶圆环换能器具有功率容量大、电声转换效率高的特点,拼镶圆环换能器可分为溢流环式和空气背衬式两大类。在相同尺寸下,溢流环换能器的水中谐振频率可以做到空气背衬式换能器谐振频率的1/2,即溢流环换能器更适合小体积换能器,并且溢流环换能器耐静水压性能好,深水条件下性能稳定。因此,采用溢流环式拼镶圆环换能器,满足远距离水声信号的接收和发射。

⒉信号处理部件

信号处理部件由数字信号处理单元、模拟预处理单元和电源模块组成,如图4所示。

1b71e4994c0e0723b3450a615bf070f3.png

图4  信号处理板组成框图

数字信号处理单元承载了水声通信调制解调软件并集成了两路16位ADC和两路16位DAC,用于实现水声信号的调制解调及通信信号接收时间的估算功能。数字通信接口模块用于实现对外部数字通信接口扩展。模拟预处理单元对输入换能器信号进行前置放大滤波,放大倍数可通过数字信号处理单元通过SPI串行通信进行调整。

信号处理板通过电源接口获取电池组的24V直流电源,电源模块对外部电源进行转换,向各单元提供所需要的电压。

接收换能器接收到的模拟信号通过模拟输入接口进入信号处理板进行模拟调理;模拟输出接口可以为发射功放提供信号源。

电源模块为一块低功耗电源控制板,负责整个一体化潜标的电源管理,具有保护和检测输入电源、唤醒或关断潜标系统、产生系统所需的各种电源以及故障处理(黑匣子记录)等功能。

当潜标系统睡眠时,电源管理程序自动关闭除电源控制板的值班电路和唤醒电路以外的所有电路板以节省功耗。此时,整个系统总功耗小于100MW,实现了低功耗的电源管理。当检测到声学唤醒信号、用户设备数据或实时时钟中断信号中任意一个后,给系统其他部分上电,整个系统由休眠状态转入工作状态。

a1c66de2e5a2fccf7e29052dc9e8f167.png

图5  电源管理电路图

⒊协议处理部件

协议处理部件由协议处理板、深度计和水听器组成,主要功能是根据协议,对潜标经纬度及深度、接收指令时间、浮标编号等信息进行打包处理,通过串口(422接口)发送出去。原理框图如图6所示。

645fdd90b876b39b654f93e3d033289b.png

图6  协议处理部件

⒋发射匹配部件

发射匹配部件包含功放发射板和收发转换与匹配板2块主板,原理框图如图7所示。粗线框内为功率放大电路,分为功率电源选择、信号隔离、信号驱动、功率放大及滤波保护5个部分。

f91a0ba2fd9c74e6e2f7d473ac12dbcc.png

图7  发射匹配部件原理框架图

功率放大电路由发射单元电路、驱动电源电路、功率电源切换电路、储能滤波电路、过流/过温保护电路组成,详细内部框图如图8所示。

f0ad86e0c3feb92c97c82ec9e3ba708c.png

图8  功率放大电路框图

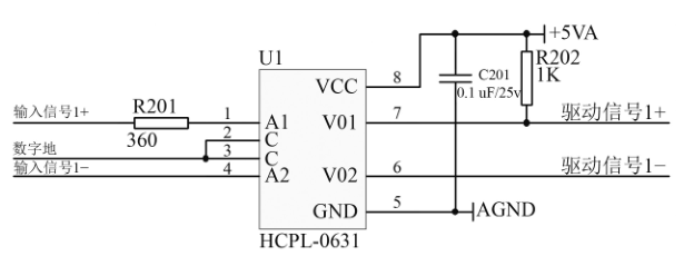
⑴信号隔离电路

输入信号由数字机直接给入,信号类型为0~5V(兼容3.3V)脉冲方波信号,为了避免在发射时造成对数字机的干扰,采用快速光耦(HCP-0631)进行隔离,工作电压5V,频率可达到1MHz,完全可以覆盖6~10kHz频带的发射信号,电路图如图9所示。

4995fc7e9cdf73288badcbf5db859d77.png

图9  信号隔离电路

⑵功率放大模块

该部分电路主要实现功率放大功能,驱动后级负载。

⑶驱动电路电源转换

在发射机主板上使用的前级信号驱动电压有5V,12V。5V信号是给前级隔离电路使用,12V给功放前级驱动使用,因此电源转换需要2个DC/DC电源模块完成。一个为27V转5V电源模块,经过计算大约5W功率;另一个为27V转12V的电源模块,经过计算大约10W左右,完成此电路功能。

a6c3cbb3ba37d0bf7edd929c2bc77e61.png

图10  电源转换电路图

⒌外部电池组设计

潜标所需工作电源有2种,一种是24V仪表电源,另一种是120V发射电源,均由外部电池组提供。外部电池组结构示意图如图11所示。

a812944e60199477240e20fa8ae96b77.png

图11  外部电池组结构示意图

三、通信与定位兼容性信号结构设计

该潜标系统通信与定位信号采用相同的信号体质,帧结构相互兼容,先发送唤醒信号,在等待一段时间之后,发送通信或者定位信号,上位机PC会根据接收到的响应信号进行通信信息或位置信息解算。

四、结语

本文设计一种水声通信定位一体化潜标设备,描述了系统架构,通过介绍一体化潜标的各组成模块,提出了潜标系统的详细设计方案,阐述了通信与定位兼容技术的原理。该一体化潜标系统突破了水声通信与水下定位导航不兼容的技术瓶颈,因采用耐压壳体与合理的结构形式,可安全稳定地部署在深海海域,形成水下感知网通信保障与海域水下监测等保障能力,为构建水下通信导航试验系统打下扎实的技术基础。


8 a+ m1 V. h8 @8 {+ ~+ }; X+ }
8 P3 V, T4 p2 B4 [9 T; K
回复

举报 使用道具

相关帖子

全部回帖
暂无回帖,快来参与回复吧
懒得打字?点击右侧快捷回复 【吾爱海洋论坛发文有奖】
您需要登录后才可以回帖 登录 | 立即注册
尖叫的土豆
活跃在2026-3-23
快速回复 返回顶部 返回列表